.png)
Adapter for IC-7100

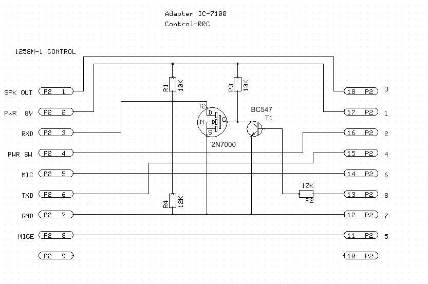
ICOM have made a hardware modification lately (March 2014) which makes later produced rigs incompatible with the original Remoterig boxes (New IC-7100 control panels are also incompatible with old IC-7100 main units). The reason of the modification was to avoid that data communication will be heard in FM mode at low modulation levels. They have solved it by reducing the amplitude of the data sent from control to main unit. To handle this modification in the Remoterig a adapter PCB called 1258M has to be installed in the (red)strap socket of the Control-RRC. The Adapter is available in our webshop or from the distributors. This board is quite simple and can be built by your self also. The Adapter 1258M can be used both for early IC-7100 and modified IC-7100
The ICOM modification was done from serial numbers US>02003001 and in EU>03003601.
Principle of the Interface PCB 1258M which has to be installed in the socket for the red straps (Control- RRC only). All red straps are replaced by the PCB. A prototype was built with BC547 and 2N7000 but the choice of transistors is not critical,


